Время работы:
пн-пт: 9.00 до 18.00
Ижевск
Артикул ВР 80-70 №10
Доставка по Москве в пределах МКАД: мелкогабаритный груз от 1 000 руб., крупногабаритный груз от 2 500 руб.,
Полный цикл работ: подберем, спроектируем и установим оборудование
Нашли дешевле? Звоните, договоримся!
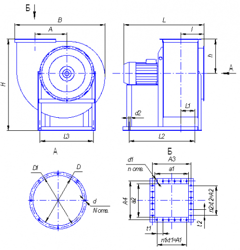
Заявки принимаются с реквизитами через почтуВентиляторы низкого давления ВР 80-70 №10 необходимы в помещениях с высокой степенью загрязнения воздуха. Их технические характеристики нацелены на то, чтобы за максимально короткий срок перемещать наибольшее количество любых газообразных смесей.
Радиальные вентиляторы ВР 80-70 №10 применяются в стационарных системах вентиляции и воздушного отопления производственных, общественных и жилых зданий, а также для других санитарно-технических и производственных целей. Вентиляторы радиальные НД выпускаются по 1-ой и 5-ой конструктивным исполнениям. Рациональный подбор вентилятора низкого давления с высоким КПД на любой заданный режим в этой области осуществляют практически без запаса, что дает возможность значительно снизить энергопотребление вентиляторной установки, уменьшить габариты и массу. Вентиляторы радиальные низкого давления применяют в системах, где требуется высокий КПД, низкий уровень шума и в системах с параллельной работой нескольких вентиляторов.



| BP 86-77№ | Исполнение | Эл. двигатель | |
| кВт | об./мин. | ||
| 10 | 1 | 5,5 | 750 |
| 1 | 7,50 | ||
| 1 | 11,0 | ||
| 1 | 15 | ||
| 1 | 22 | ||
| 1 | 11 | 1000 | |
| 1 | 15 | ||
| 1 | 18,5 | ||
| 1 | 22 | ||
| 1 | 30 | ||
| 1 | без э/дв!!! | ||
| 5 | 5,5 | 1000/620* | |
| 5 | 5,5 | 1500/620* | |
| 5 | 7,5 | 1000/700* | |
| 5 | 7,5 | 1500/700* | |
| 5 | 11 | 1000/770* | |
| 5 | 11 | 1500/770* | |
| 5 | 15 | 1000/850* | |
| 5 | 15 | 1500/850* | |
| 5 | 18,50 | 1000/1050* | |
| 5 | 18,5 | 1500/1050* | |
| 5 | 22 | 1500/1050* | |
| 5 | 30 | 1500/1120* | |
| 5 | 45 | 1500/1280* | |
| 5 | без э/дв!!! | ||
| № вент. | Размеры, мм | ||||||||||||
| В | А | А1 | А2 | А3 | А4 | а1 | а2 | Lmax | l | h | H | L1 | |
| 2 | 383 | 140 | 100 | 100 | 170 | 170 | 140 | 140 | 500 | 128 | 150 | 410 | 32 |
| 2,5 | 475 | 163 | 100 | 100 | 200 | 200 | 175 | 175 | 530 | 145 | 185 | 495 | 6 |
| 3,15 | 602 | 208 | 200 | 200 | 245 | 245 | 220 | 220 | 630 | 165 | 228 | 625 | 52 |
| 4 | 742 | 260 | 200 | 200 | 300 | 300 | 270 | 270 | 730 | 205 | 277 | 780 | 106 |
| 5 | 915 | 324 | 300 | 300 | 380 | 380 | 350 | 350 | 810 | 245 | 338 | 905 | 140 |
| 6,3 | 1143 | 410 | 400 | 400 | 470 | 470 | 441 | 441 | 995 | 290 | 420 | 1150 | 230 |
| 8 | 1450 | 520 | 600 | 600 | 600 | 600 | 560 | 560 | 1300 | 380 | 533 | 1445 | 252 |
| 10 | 1785 | 640 | 750 | 750 | 750 | 750 | 700 | 700 | 1580 | 450 | 650 | 1785 | 312 |
| 12 | 2145 | 780 | 750 | 750 | 880 | 880 | 840 | 840 | 1650 | 520 | 755 | 2150 | 377 |
| 12,5 | 2145 | 780 | 750 | 750 | 930 | 930 | 875 | 875 | 1690 | 540 | 755 | 2200 | 425 |
| № вент. | Размеры, мм | N | n | n1 | n2 | ||||||||
| L2 | L3 | D | D1 | d | d1 | d2 | t1 | t2 | |||||
| 2 | 300 | 196 | 205 | 235 | 7x14 | 8x12 | 12 | 100 | 100 | 6 | 8 | 1 | 1 |
| 2,5 | 300 | 260 | 265 | 280 | 7x14 | 8x12 | 12 | 100 | 100 | 8 | 8 | 1 | 1 |
| 3,15 | 415 | 335 | 325 | 345 | 7x14 | 8x12 | 12 | 100 | 100 | 8 | 12 | 2 | 2 |
| 4 | 500 | 370 | 410 | 430 | 7x14 | 8x12 | 12 | 100 | 100 | 8 | 12 | 2 | 2 |
| 5 | 600 | 410 | 510 | 530 | 7x14 | 8x12 | 12 | 100 | 100 | 8 | 16 | 3 | 3 |
| 6,3 | 780 | 480 | 640 | 660 | 7x14 | 8x16 | 12 | 100 | 100 | 16 | 20 | 4 | 4 |
| 8 | 950 | 724 | 815 | 850 | 8x12 | 10x16 | 14 | 150 | 150 | 16 | 16 | 4 | 4 |
| 10 | 1160 | 873 | 1010 | 1040 | 10 | 10 | 14 | 150 | 150 | 16 | 20 | 5 | 5 |
| 12 | 1350 | 1045 | 1220 | 1260 | 12 | 10 | 14 | 150 | 150 | 16 | 24 | 5 | 5 |
| 12,5 | 1415 | 1045 | 1270 | 1310 | 12 | 10 | 14 | 150 | 150 | 16 | 24 | 5 | 5 |
| № | Исп | В1 | В2 | В3 | В4 | D | D1 | n | d1 | N | d |
| 2 | 1 | 140 | 165 | 170 | 135 | 235 | 215 | 8 | 8*12 | 6 | 7*14 |
| 2,5 | 1 | 170 | 200 | 200 | 170 | 285 | 265 | 8 | 8*12 | 8 | 7*14 |
| 3,15 | 1 | 215 | 245 | 245 | 215 | 340 | 320 | 12 | 8*12 | 8 | 7*14 |
| 4 | 1 | 270 | 300 | 300 | 270 | 430 | 410 | 12 | 8*12 | 8 | 7*14 |
| 5 | 1 | 340 | 370 | 370 | 340 | 535 | 510 | 16 | 8*12 | 8 | 7*14 |
| 6,3 | 1 | 445 | 480 | 480 | 445 | 665 | 640 | 20 | 8*12 | 16 | 7*14 |
| 8 | 1 | 560 | 590 | 600 | 560 | 850 | 815 | 16 | 8*12 | 16 | 8*12 |
| 5-01 5-02 |
560 | 590 | 600 | 560 | 850 | 815 | 16 | 8*12 | 16 | 8*12 | |
| 10 | 1 | 700 | 740 | 750 | 700 | 1020 | 990 | 20 | 10 | 16 | 10 |
| 5-01 5-02 |
700 | 740 | 750 | 700 | 1020 | 990 | 20 | 10 | 16 | 10 | |
| 12 | 1 | 840 | 880 | 880 | 840 | 1260 | 1216 | 24 | 10 | 16 | 12 |
| 12,5 | 1 | 875 | 915 | 920 | 865 | 1280 | 1220 | 24 | 10 | 16 | 12 |
| 5-01 5-02 |
875 | 915 | 920 | 865 | 1280 | 1220 | 24 | 10 | 16 | 12 | |
| 16 | 5-01 | 1280 | 1346 | 1188 | 1120 | 1490 | 1446 | 34 | 13*20 | 36 | 13*20 |
| № | Исп | А2 | А3 | А4 | А5 |
| 2 | 1 | - | 300 | 196 | - |
| 2,5 | 1 | - | 400 | 260 | - |
| 3,15 | 1 | - | 400 | 340 | - |
| 4 | 1 | - | 500 | 370 | - |
| 5 | 1 | - | 600 | 410 | - |
| 6,3 | 1 | - | 780 | 480 | - |
| 8 | 1 | - | 950 | 742 | - |
| 5-01 5-02 |
1060 - |
1460 1200 |
500 780 |
696 - |
|
| 10 | 1 | - | 1160 | 873 | - |
| 5-01 5-02 |
1303 - |
1576 1265 |
603 880 |
848 - |
|
| 12 | 1 | - | 1350 | 1045 | - |
| 12,5 | 1 | - | 1415 | 1045 | - |
| 5-01 5-02 |
1595 - |
1890 1620 |
754 1045 |
905 - |
|
| 16 | 5-01 | 2375 | 3555 | 2375 | 1520 |